船用阀门
当前位置:网站首页 > 产品中心 > 船用阀门

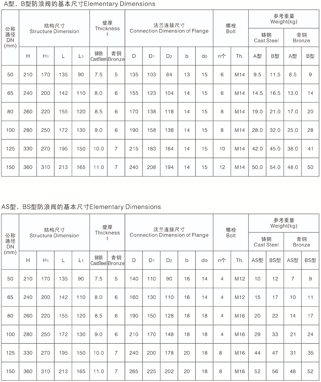
CBT3476-1992立式防浪阀

image.png


image.png


image.png


新闻资讯

公司新闻

行业动态

联系我们/ contact us

联系人: 赵小姐

手机:13587731100

营销总监: 周先生

手机:13587732299

座机:0577-67374888

传真:0577-67374887

邮箱 :dazhong@dazhong-valve.com

地址:浙江温州永嘉园区大道1060号

© 2019 版权所有 大众阀门集团能源股份有限公司 浙ICP备18000805号-2